燃气调查报告
——中国液化天然气产业链
液化天然气是气田开采出来的天然气,经过脱水、脱酸性气体和重烃类,然后压缩、膨胀、液化而成的低温液体。LNG是天然气的一种独特的储存和运输形式,它有利于天然气的远距离运输有利于边远天然气的回收、降低天然气的储存成本、有利于天然气应用中的调峰。同时,由于天然气在液化前进行了净化处理,所以它比管道输送的天然气更为洁净。液化天然气工业链是非常庞大的,主要包括天然气液化、储存、运输、接收终端、气化站等,见图l。


下载 (5.98 KB)
2009-2-11 20:40
图 1 液化天然气工业链
Fig.1 LNG Industry Chain
近十年来,中国的液化天然气(LNG)产业已起步,在液化天然气链的每一环节上都有所发展。下面分别介绍我国在LNG工业链各环节:即LNG工厂、LNG接收终端、LNG运输、LNG气化站等方面的现状和进展。
1液化天然气工业链
1.1液化天然气工厂
我国从20世纪80年代末开始就进行液化天然气装置的实践。下面介绍的小型液化天然气装置的研制与开发,为我国探索天然气液化技术提供了宝贵的经验。
1.1.1中科院低温中心等单位研制的天然气液化装置
中科院低温中心与四川省绵阳燃气集团总公司、中国石油天然气总公司勘探局、吉林油田管理局等单位联合研制了两台天然气液化设备,一台容量为0.3m3/hLNG,采用了天然气自身压力膨胀制冷循环。另一台容量为0.5m3/h LNG,采用了氮气膨胀闭式制冷循环。


下载 (5.36 KB)
2009-2-11 20:40
图 2天然气膨胀液化装置流程示意图
Fig.2 Natural Gas Expand-liquefied Flow Chart
1.1.2中原天然气液化工厂
2001年,我国第一座小型生产性质的天然气液化装置在中原油田试运行成功,这标志着我国在生产液化天然气方面迈开了关键的一步。其生产的LNG通过槽车运输的方式供应给山东、江苏等省的一些城市。中原油田有较丰富的天然气储量,天然气远景储量为2800×10sm3,现已探明地质储量为947.57×10m3/d.这些天然气能为液化装置提供较长期稳定的气源。该液化装置生产LNG的能力为15.0×104m3/d,原料气压力为12Mpa,温度为30~C,甲烷含量93.35%~95.83%。采用丙烷和乙烯为制冷剂的级联式循环,图3为液化流程示意图。


下载 (6.76 KB)
2009-2-11 20:40
图 3中原天然气液化流程示意图
Fig.3 Natural Gas Liquefied Flow Chart(Zhongyuan Pl~t)
1.1.3上海LNG事故调峰站
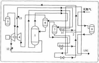
建于上海的LNG事故调峰站是我国第一座调峰型天然气液化装置,该调峰站是东海天然气供应上海城市燃气工程下游部分中的一个重要组成部分。它主要用于东海天然气中上游工程因不可抗拒的因素(如台风等)停产、输气管线事故或冬季调峰时向管网提供可靠的天然气供应,确保安全供气。该LNG事故调峰站的流程由法国索菲燃气公司设计开发的整体结合式级联型液化流程(Integral Incorporated Cascade).简称为CII液化流程,见图4。


下载 (9.57 KB)
2009-2-11 20:40
图 4 CII液化流程示意图
Fig.4 CII Natural Gas Liquefied Flow Chart
1-分馏塔;2-冷箱;3-低压压缩机;4-高压压缩机;5、6、7、8-气液分离器;9、1O、11-节流阀;12,13-冷却器
该液化流程的主要设备包括混合制冷剂压缩机、
制冷剂分馏设备和整体式冷箱三部分。整个液化流程可分为天然气液化系统和混合制冷剂循环两部分。CII流程具有如下三个特点:(1)流程精简、设备少;(2)冷箱采用高效钎焊铝板翅式换热器,体积小,便于安装;(3)压缩机和驱动机的型式简单、可靠,降低了投资与维护费用。
1.1.4新疆液化天然气工程
新疆液化天然气项目一期工程投资15.8亿元人民币,于2003年12月投产,通过公路把液化天然气运输到全国能源紧缺的地区,对国家“西气东输”主干管网以外的广阔市场供气。市场目标主要有如下三个:(1)闽东南地区,即从福州至厦门沿铁路的14个城市; (2)以江西景德镇为中心辐射湖南、湖北等华中地区;(3)华北及新疆天山北坡经济带一些地区。LNG工厂的气源来自吐哈油田。首期生产能力为150×104m3/d天然气,是我国目前最大的液化天然气生产基地LNG设计年周转量456kt;设计LNG储罐容量为3×104m3,可储存液化装置正常生产10天的LNG量。目前,广汇LNG二期工程也已启动,预计到2008年6月四期工程完成以后,天然气的液化处理能力整体规模将达到1200万m3/d以上,年供气能力将达40亿m以上。整个LNG工厂由五大部分组成,即净化部分、液化部分、LNG储罐部分、LNG外输部分和火炬放空部分。图5为液化工艺流程示意图,流程中采用的是混合制冷剂循环。


下载 (6.31 KB)
2009-2-11 20:40
图 5新疆LNG工程液化工艺流程示意图
Fig.5 Natural Gas Liquefied Flow Chart(Xi~iang Plant)
另外,在海南、广西北海、内蒙乌审旗和兰州建成或在建液化天然气工厂。
1.2液化天然气接收终端
中国已规划在珠江三角洲、长江三角洲和福建等地进口LNG。深圳将建第一个LNG接受终端,一期工程2005年投产,每年进口LNG 300万吨。供气范围包括深圳、东l莞、广州和佛山市以及中国香港部分用户。二期工程2008 1年投产,每年进口的LNG增加到500万吨。广东省已开始1建造6座天然气发电厂,现有的燃油电厂将转变为天然气电厂。投资85亿美元的惠州LNG电厂是广东LNG一体化项目的重要配套项目,设计总装机容量200万kW,建成投产后将为惠州市及中海油一壳牌南海石化项目提供电力保障。澳大利亚LNG公司已与广东省签署液化天然气供货合同总金200亿~250亿澳元,从2005~2006年度开始,每年向中国供应液化天然气300万吨,为期25年。福建LNG接收站填海工程已于去年8月在福建省莆田市秀屿港动工,总规模为500万t/a。其中,一期工程投资超过220亿元,其中接收站项目投资约60亿元,包括接收站及输气干线、三个燃气电厂和福州、莆田、泉州、厦门、漳州5城市燃气项目,年接收能力为260万吨LNG,计划2007年4月投运。上海LNG接收站项目目前进入实质性阶段。项目按年接收600万吨设计,分两期建设,工程内容包括LNG接收站、LNG专用船码头和海底输气干线。一期计划于2008年6月建成投产,届时可年接收处理300万吨LNG,形成年供应上海40亿m,天然气的能力。广东第二个LNG接收站拟选址珠海市,并首选高栏港的平排山为站址。接收站主要为珠江三角洲西岸的部分电厂和城市工业与民用提供可靠的燃料,设计首期接卸量为300万t/a,最终接卸量为900万t/a。预计2008年建成投产的浙江宁波LNG接收站项目已取得实质进展,项目由接收站、码头、输气干线及液化天然气电厂组成。其中,一期建设规模300万t/a,二期扩建到600万t/a,一期工程总投资约43亿元人民币,其中包括建设一座停靠8到16.5万m。液化天然气运输船单泊位接卸码头。即将在山东青岛建设LNG接收终端项目,处理能力为300万t/a。
1.3液化天然气运输槽车和罐式集装箱
目前,我国LNG从生产地运往使用地是用槽车或罐式集装箱方式运输的,已有四川、江苏和河北的制造商在试制、生产,并投入运行。
1.3.1 LNG运输槽车
运输槽车一次可装运27m3或40m3 LNG产品。考虑到LNG等介质的低温特性,采用真空纤维绝热技术对槽车进行绝热,贮槽内筒及管道材料选用0Crl8Ni9奥氏体不锈钢,外筒选用16MnR低合金钢钢板。内外筒支承选用耐低温的,且绝热性能较好的环氧玻璃钢。槽车包括进排液系统、进排汽系统、自增压系统、吹扫置换系统、仪控系统、紧急截断阀与气控系统、安全系统、抽空系统、测满分析取样系统。针对 LNG的易燃易爆特点,设计已采取了以下安全措施:紧急截断控制措施、易熔塞、阻火器、吹扫置换系统、导静电接地及灭火装置。
1.3.2罐式集装箱
罐式集装箱一次可装运 17.5m3 、40m3 或 43.9m3 LNG产品。采用高真空多层绝热,绝热性能好,无损贮存时间长,自重轻。罐式集装箱运输灵活机动,可公路、水路、铁路联运,也可直接作为贮存容器。
1.4液化天然气运输船
LNG船是国际公认的高技术、高难度、高附加值的“三高”产品,是一种“海上超级冷冻”被喻为世界造船“皇冠上的明珠”,目前只有美国、日本、韩国和欧洲的少数几个国家的l3家船厂能够建造。LNG船主要有独立球型(MOSS)和薄膜型两种。薄膜型LNG船是法国GTT公司的技术,在船型性能方面要优于MOSS型LNG船。由沪东中华造船公司承建,价值达4亿美元的两艘 LNG船已在上海开工建造,这标志着中国的造船工业在技术上进入了一个新的领域。该船舱容量14.72万m',船长292m,宽43.35m,为GTTNO.96型。低温内壁直接由双层外壳直撑,内壁由两层材料相同的膜和两个独立的绝热层组成,之间有珍珠岩绝热材料。内壁材料为0.7ram的不胀钢(36%Ni合金钢)。第一艘船计划2007年10月交付使用,第二艘计划2008年初交付。
1.5液化天然气的应用
1.5.1 LNG气化站
目前在江苏苏州、山东淄博、江苏姜堰等城市已建立了LNG气化站,这些气化站的LNG来自河南中原油田和新疆广汇的天然气液化工厂。
(1)江苏苏州气化站
江苏苏州气化站的主要功能如下: (1)LNG的卸车及储存;(2)将LNG气化、调压后与水煤气、焦炉气掺混作城市煤气气源;(3)LNG装车运往小区气化站及LNG汽车加气站。目前已实现了前二项功能。该气化站近期供气规模为 2×10*m3/d天然气,即液态LNG为34.5m3/d.设计考虑将来供气量可增加到3×10m3/d.可供居民小区及汽车加气站用气。高峰时段供气量为1200m3/h.管换热器,管内为LNG,管外为大气。LNG气化站工艺流程见图6。 

下载 (4.65 KB)
2009-2-11 20:40
图6 LNG气化站工艺流程图
Fig.6 LNG Gasifying Station Working Flow Chart
气化站内主要设备为:(1)两台体积均为100m3的低温贮罐,贮罐夹层填充珠光砂并抽真空进行绝热;(2)贮罐增压气化器二台,气化能力为150 kg/h,用于维持贮罐压力及装车输液时使用;(3)流量为600m3/h空气式气化器二台;(4)流量为600m3/h蒸汽加热水浴式气化器一台;(5)BOG加热器一台,加热BOG能力为400m3/h。
(2)山东淄博气化站
山东淄博气化站项目自2000年8月开始建设,2001年8月底竣工,于2001年12月2日投入LNG供气,是国内第一座工业用液化天然气气化站,设计能力为12×104m3/d。
该气化站的主要设备为:
(1)储罐
立式,几何水容积106m3,共12台。储罐为双层结构,内罐材质为0Crl8Ni9,外罐材质为16MnR,夹层充填珠光砂250mm厚,抽真空。设计规定储罐日蒸发率≤0.3%.
(2)空浴气化器
气化能力1500kg/h.共8台。
(3)水浴气化器
气化能力4000kg/h.l台。设计气化器出口介质温度≥5℃。
(4)管道、阀门
低温管道的管材均采用0Crl8Ni9,低温阀门均进口,相关管道进行保冷处理。
1.5.2液化天然气汽车
为了降低燃油汽车尾气的排放带来的城市大气污染,我国政府在积极推动液化天然气汽车的研究和开发工作。国家科技部“十五”清洁汽车行动关键技术攻关及产业化项目指南明确提出了单一燃料LNG公交车的示范工程,通过示范工程,为全国大范围提高燃气汽车的应用水平发挥示范作用,促进国产LNG车的技术发展。新疆的乌鲁木齐和湖南的长沙正在进行LNG公交车示范工程的研究开发。
2液化天然气应用基础研究
从热力学、传热学和流体力学来研究天然气的低温液化流程和LNG储存技术,对开发立足于国内技术的LNG工厂和LNG接收终端,具有重要的应用价值和远大前景。
液化天然气的应用基础研究包含以下内容:
(1)天然气和制冷剂的热物性及迁移特性研究;
(2)天然气液化流程的设备模拟研究;
(3)天然气液化流程的系统模拟和优化研究;
(4)LNG的储存分层、涡旋的传热传质数值研究和试验研究;
(5)LNG储存的非稳性预测研究。
二十多年来,上海交通大学在液化天然气应用基础研究方面,先后获得国家自然科学基金资助和国家教委博士点基金资助,并以东海天然气和中原液化天然气等LNG工程项目为依托,进行了全面系统的研究工作,取得丰硕成果。在国内外发表了八十多篇论文,并出版了国内第一本 LNG专著。在撰写论文中连续五届被世界上权威的LNG大会所录用和发表。
3展望
在我国,液化天然气是个新兴产业,在液化天然气的生产和应用各环节上,跟国际上LNG各进出口国相比有较大差距,仍有许多工作尚待进行,下面列出的几项LNG工程有待开展的工作,供读者和业内人士参考。
(1)小型天然气液环次之,脉冲管制冷循环效率最低。
目前世界上除了加拿大以外,美国、芬兰等国都在开展小型液化天然气装置的研发工作。这种装置的开发在中国也有重要现实意义。 

下载 (6.08 KB)
2009-2-11 20:40
表 l各种液化循环的效率
(2)LNG冷量利用技术
LNG有利于天然气的远洋运输,有利于城市调峰等。当天然气实际使用时,仍需要气化为气体。在LNG气化使用过程中,LNG将释放出大量的冷量,LNG的冷量利用对节省能源具有重要的意义。LNG冷量可在发电系统、空分系统、制取干冰及低温粉碎等方面回收,并产生可观的经济效益。
3)液化天然气工业链中设备的国产化
在LNG]2业链的各个环节中涉及到很多设备,如压缩机、膨胀机、泵、换热器、阀门和LNG储罐等。加速这些设备的国产化对于降低我国LNG的成本,促进我国LNG技术水平的提高具有重要意义。
(4)开发具有自主知识产权的节能型液化流程
目前天然气液化流程追求高效率、低能耗与低投资,以此降低产品生产费用,增强市场竞争力,这需要对工艺流程进行合理地分析和评价。级联式液化流程虽然能耗低,但是投资大,流程复杂,管理极为不便。昆合制冷剂液化流程以丙烷预冷最具竞争力,但是流程设备还显复杂,适应于大型基本负荷型LNG装置。带膨胀机液化流程紧凑、规模较小,但是能耗高,适应于调峰LNG装置。表2列出了级联式(cascade).丙烷预冷混合制冷剂(C/MRC)和带膨胀机(Expander)液化流程的比较。由于LNG装置的投资庞大,动辄数亿人民币,因此必须根据我国的国情,依据具体的设计条件和外围条件,对不同液化流程的投资成本、比功耗、运行要求进行全面的对比分析。要紧跟当前天然气液化流程追求简便、高效的发展趋势,综合考虑各种液化流程的技术特点,开发适合我国实际情况的新型液化流程,重点在以下方面求得突破:流程精简,设备少;冷箱结构紧凑,换热效率高,火用损小;压缩机和驱动机高效、可靠。应大力发展具有调峰、机动能力的中、小型LNG装置,以适应我国已经面临大规模开发利用天然气的新形势,尽快改变国内在LNG产业上的薄弱状态。随着我国天然气工业的蓬勃发展,“西气东输”大型天然气输配工程以及一批 LNG装置的纷纷启动,我国液化天然气工业已经进入一个迅猛发展的时期,从理论性和实用性两方面对液化流程的研究提出了更高、更深层次的要求。我国的天然气蕴含量丰富,但集中在中西部和海域等边远地区,如何具体地针对天然气的气质条件、储量及气田位置,开发不同种类的灵活机动、高效、运行可靠的节能型液化流程,有效利用这一宝贵的能源,具有很强的现实意义。
表 2 Cascade、C3/MRC和Expander Cycle的比较


下载 (10.67 KB)
2009-2-11 20:40
4结束语
本文介绍了我国在液化天然气工厂、液化天然气接收终端、液化天然气运输工具和液化天然气气化站等方面的研究进展。我国在LNG工业链上各环节已经有了很大进展。液化天然气工业是个新兴产业,在我国发展LNG的过程中,须认识到LNG行业以下三方面的特点:
(1)液化天然气的专业化。
从1910年美国开始工业化规模的甲烷液化研究至今,LNG的研究已有九十多年的历史,所以LNG在世界上是比较成熟的技术。我国推进发展 LNG既要学习和借鉴国外经验,也应结合国情,有所发展和创新。
(2)液化天然气的社会化。
LNG是个庞大的产业,是项系统工程,发展LNG,必须相关行业协同、配合,全球采购,精心集成。
(3)液化天然气的国际化。
LNG源于天然气的远洋贸易运输,所以在LNG工业链中的各环节,特别是液化天然气工厂LNG接收终端、LNG运输方面都有一套国际运作规范,我国在进行LNG的开发和利用过程中,必须注意到这个特点。但不失时机地制订我国的LNG标准、规范也是非常重要的。
液化天然气(LNG)及贸易状况
天然气是一种非常重要的资源,它燃烧清洁,污染小,通常生产与输送成本低廉。其储量十分巨大,1996年底,全世界天然气储量141.9万亿Nm3,以目前的产率,足够全世界使用60多年。
但是,世界上已探明的天然气储量约有70%位于俄罗斯境内的西伯利亚西部与波斯湾,它们分别占全世界总探明储量的37.82%与32.1%。而天然气大用户市场却往往没有丰富的资源,这就需要通过某种方式将天然气从气田或资源国输送至目标用户。管道输送是一种好的输送方法,但对于远距离越洋输送,目前还没有技术可以建造深海长距离输送管线,因此需要寻找其它的方法。LNG是一个越洋大量输送天然气的商业化技术。
一个成功的LNG项目必须具有充足的探明天然气储量,以支持液化能力15到20年。为了确保在项目期限内有充分的生产能力,资源量应该是工厂年生产能力的25-35倍。这意味着一套1400万Nm3/天的生产项目,将需要1529-2152亿Nm3的探明储量。另外,原料气价也需要较低,典型地应小于1.00美元/MMBtu,最好在0.5美元/MMBtu左右。这意味着用于做LNG的天然气只能来源于少数高产的气井,如卡塔尔的北部气田(Northern Field),其可采储量高达6.77万亿Nm3, 阿尔及利亚的Hassi R’mel气田,探明储量达2.407万亿Nm3。另一方面,如果天然气产品可产生充足的凝析物或天然气液体,那么,回收石油副产品可以充分抵消天然气成本。
LNG工厂规模庞大且造价昂贵,典型的投资是几十亿美元。工厂包括天然气液体提取装置、液化石油气(LPG)生产装置、绝热的LNG储槽与LPG储槽、深水码头及相关设施。液化工厂是LNG项目中投资最高的单元。成本将依赖于各个方面因素与项目规模,较大的规模单位成本较低,基本上每100万吨/年的生产能力造价3-9亿美元。
液化工厂的操作费用相当低。尽管液化是一个高耗能过程,典型地,约有8-9%的天然气进料量被用来作为工厂的动力燃料,以将天然气进行液化。但是,因输送至工厂的天然气价格相当低,因此运行成本并不高。
另外,每个LNG项目都需要有运送LNG的船,因其结构复杂、采用双层真空外壁、并使用特殊内衬,使其造价非常昂贵,每艘135000m3能力的LNG船定价约为2.6亿美元。LNG在运输过程中,依靠一部分液体汽化来补充失去的冷量,汽化量约为货物量的0.15-0.25%/天,因此,航程越远,其运输成本越高,一般地,运输成本与航程正相关。
因此,LNG典型的成本构成为:天然气原料0.5$/MMBtu、液化2.5$/MMBtu、运输0.75$/MMBtu,这样,在LNG接收终端的到岸价为3.75$/MMBtu。LNG产品价格应该足够低,以使用户能够大量使用。LNG开发商将为其产品在一个成本做得过来的价位上寻找一个长期合同,包括“照付不议”与“价格底线”以确保即使在一个违反能源价格规律的条件下,项目仍能够偿还债务。而用户也应希望获得一定的股份以使买卖双方的风险都可以降低。
1964年9月27日,阿尔及利亚的世界上第一座LNG工厂建成投产。同年,第一艘载着12000吨LNG的船驶往英国,标志着世界LNG贸易的开始。之后,1969年,位于美国阿拉斯加的肯奈LNG装置投产,开始向日本出口LNG。1970年,利比亚成为非洲第一个LNG生产与出口国,其目标市场是西班牙。文莱是亚洲第一个LNG生产国,1972年,LNG装置投产,向日本出口。如今,LNG国际贸易已有30多年的历史,全球已有8个LNG出口国与9个LNG进口国或地区。自1990年以来,全球LNG贸易量以年均7%以上的速度增长。1997年贸易量达7921万吨,占全世界天然气消费量的4%。
LNG供应主要来源于阿尔及利亚、澳大利亚、印度尼西亚和马来西亚,1997年,它们占了世界LNG出口量的82.4%。这些地区今后将继续在LNG市场上扮演重要角色,因为其可利用的天然气资源足以支持目前的生产能力以及今后持续扩大的生产需求。预计中东将领导下一轮的LNG出口增长,阿曼与卡塔尔将在1997至2000年的LNG增量中占75%分额。日本与韩国是LNG的主要进口国,1997年,两国LNG进口量占了全球的70%以上。在日本,92%的天然气消费是LNG,而韩国的天然气消费100%是LNG,其LNG的发电量占了整个发电量的10%。
至1998年为止,在全世界8个LNG出口国中,有22座天然气液化工厂,共56系列,其设计能力为9420万吨/年,1997年实际生产7921万吨,开工率为84%。而且,随着目前正在建造的5座共8系列的LNG工厂的建成,LNG生产能力将再增加2300万吨/年。另外,还有大量的LNG工厂正在计划建造,设计能力超过1亿吨/年,如全部投产,届时全球LNG生产能力将是目前的2.5倍左右。
我国LNG资源
目前我国液化天然气利用因液化天然气气源问题,仅上海浦东有一座用作城市调峰的气源,中原油田15万NM3/日LNG工厂外,还没有其他气源。
一、上海浦东天然气调峰站的液化天然气
目前上海浦东已经使用了平湖气田的天然气,为保证用气的可靠性,另外建设了一座天然气液化工厂,液化能力为液化天然气2万立方米/日 。该站的主要作用是在台风季节,气井关闭时用液化天然气气化后供应管网,以保证用气的连续性。由于供气只是在事故时间内,因此使用的机会很少。目前,该站正在考虑将液化天然气外供一部分。年底可望建成液化天然气装卸设施,可少量对外提供液化天然气。
二、中原油田LNG工厂
中原油田绿能高科在河南濮阳建设了一座液化天然气工厂,一期规模为液化天然气15万立方米/日,工程已于2001年10月份投产。与中原油田LNG工厂同步建设的采用液化天然气作城市气源的有淄博、青岛、潍坊、苏州、商丘、姜堰、龙川等城市。
三、新疆广汇液化天然气
新疆广汇集团目前正在建设一座大型天然气液化工厂,投资6亿元人民币,建设一期(2003年9月建成)规模为日处理150万立方米天然气的LNG工厂,最终规模将达到日处理900-1000万立方米,成为我国最大的液化天然气生产基地。是配合“西气东输”的最大的能源工程项目。
国内天然气利用情况
我国天然气开采虽然历史悠久,但是天然气工业真正得到发展仅在建国以后,六十年代开始陆续向城市供应天然气,先后从大庆、辽河、中原、大港、华北、胜利及四川气田经由天然气集输系统向重庆、成都、沈阳、郑州、鞍山、北京、天津、安阳、开封、齐齐哈尔等城市供应民用和工业用气。到1993年有天然气设施的城市已有45个,占全国气化城市总数的9.6%,供气量为226.7×1012KJ。
1996年建成海南岛近海的崖13-1气田,并向香港和海南供气,供气规模34亿米3/年。
1997年建成陕甘宁气田到北京、天津的天然气干线,实现向北京、天津以及陕西西安等沿线城市供气,供气规模20亿米3/年。北京市1999年底前,消纳天然气7亿米3。
天津在利用陕气的同时,引进了渤西油田的天然气,在原来大港油田供气的基础上,又增加了“两气进津”的气源,形成了十分有利的供气形势。2000年用天然气4.66亿米3。
1999年上海的浦东地区已接收东海平湖天然气作为城市居民用气,供气规模4亿米3/年。
四川省在原有天然气的基础上大力发展城镇天然气建设,1998年在四川省131个省、市、地区中,已有97个县市用上天然气,年用天然气量6.6亿米3。
1997年全国各行业天然气消费状况:
行业 化肥 民用 商业 化工 电力 汽车 冶金 机电 军工 油气开采 其它 合计
用气量亿米3/年 68.91 22.32 0.92 8.26 30.71 0.16 4.5 3.95 1.87 60.85 3.37 205.82
比例% 33.5 10.8 0.5 4.0 14.9 0.1 2.2 1.9 0.9 29.6 1.6 100
以上表的情况可见,洁净高能的天然气大部分都被用作工业的原材料和燃料,而用于城乡居民生活用气比例很低。随着经济的发展,人民生活的改善以及市场经济观念的变化,天然气利用的消费分配比例必然会更加科学和合理,城市利用天然气的比重将会逐步增加。